
Lágrimas de reír hasta llorar

Lágrimas de cambio

Lágrimas de dolor

Lágrimas de reír hasta llorar

Lágrimas de cambio

Lágrimas de dolor

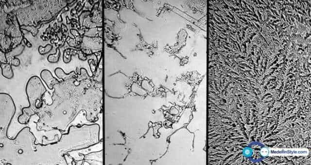
Lágrimas por pelar una cebolla

Joseph Stromberg del Colegio de las Artes y las Ciencias del Smithsonian explicó que hay tres tipos de lágrimas: basales, reflex y psíquica (desencadenados por emociones). Todas las lágrimas contienen sustancias orgánicas, incluidos aceites, anticuerpos, y enzimas que y se suspenden en agua salada.
Los diferentes tipos de lágrimas tienen moléculas distintas. Las lágrimas emocionales tienen hormonas a base de proteínas, incluyendo la leucina encefalina neurotransmisor, que es un analgésico natural que se libera cuando estamos estresados. Además, las lágrimas vistas bajo el microscopio cristalizan la sal y pueden dar lugar a diferentes formas y formas. Así que hasta lágrimas psíquicas con la misma composición química pueden ser muy diferentes.
Lágrimas basales

Lágrimas de un reencuentro esperado

Lágrimas de fin y comienzo

Lágrimas de liberación

Lágrimas de posibilidad y esperanza

Lágrimas de alegría en un momento importante

Lágrimas de recuerdo

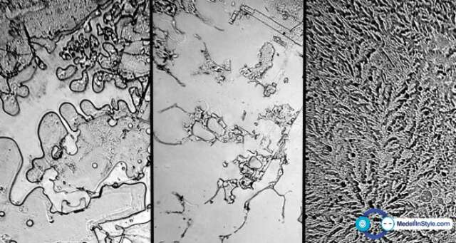
Lágrimas por pelar una cebolla

Joseph Stromberg del Colegio de las Artes y las Ciencias del Smithsonian explicó que hay tres tipos de lágrimas: basales, reflex y psíquica (desencadenados por emociones). Todas las lágrimas contienen sustancias orgánicas, incluidos aceites, anticuerpos, y enzimas que y se suspenden en agua salada.
Los diferentes tipos de lágrimas tienen moléculas distintas. Las lágrimas emocionales tienen hormonas a base de proteínas, incluyendo la leucina encefalina neurotransmisor, que es un analgésico natural que se libera cuando estamos estresados. Además, las lágrimas vistas bajo el microscopio cristalizan la sal y pueden dar lugar a diferentes formas y formas. Así que hasta lágrimas psíquicas con la misma composición química pueden ser muy diferentes.

